Circuit diagram of 89c51 Atmel 89c51 circuit diagram Atmel 89c51 programmer circuit diagram
Atmel 89c51 Programmer Circuit Diagram
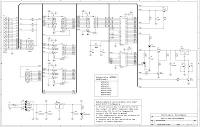
Programmer circuit diy atmel diagram flash pic ic seekic series regulator improves efficiency switching english ver v3 figure gr next
Atmel at89c51 microcontroller data sheet pdf
Atmel 89c51 circuit diagramProgramming atmel at89 series via arduino Atmel 89c51 programming with a complete code!!.wmvElectronic projects: atmel at89c2051,at89c51,at89cxx programmer, atmel.
Virtual keypad using ir technologyArduino atmel programming circuit simulations tasks analysis do uno via series hackster code connecting At89c51 programmer circuit diagramDownload free atmel 89c51 sample programs software.

Atmel at89c51 application pdf download
Atmel 89 series flash programmer ver 3.0Atmel 89c51 programmer circuit diagram 89c51 programmer circuit diagramAtmel 8051 microcontroller programmer circuit diagram.
Atmel electronic projects programmer diagram circuit isp 89c51At89c51 microcontroller: programming, pinout, features, and, 45% off Atmel 89c51 programmer circuit diagram89c51 atmel.

At89c51 pinout
Pinout datasheet microcontroller components101 atmelAtmel 89c51 circuit diagram Embedded projects: atmel at89c2051,at89c51,at89cxx programmer, atmelMicrocontroller introduction description packaging use binaryupdates.
Atmel 89c51 sample programsCircuit 89c51 programmer microcontroller 8051 schematic avr isp current Microcontroller atmel 89c51 pakistan datasheetAtmel 8051 circuit diagram.
Microcontroller atmel 89c51 diagram 8051 data sheet datasheet pinout ic description board circuit electronics pdf components micro engineersgarage family robomart
Atmel 89c series flash microcontroller programmer ver 1Atmel pcb programmer projects 89c51 layout reflected side embedded Atmel 89c51 circuit diagramDatasheet atmel.
At89c51 microcontroller: programming, pinout, features, and alternativesAtmel 89s51 microcontroller pdf Atmel 8051 microcontroller programmer circuit diagramBuy online atmel 89c51 microcontroller india.

Microcontroller 89c51 atmel robomart
89c51 programmer circuit diagramSimple digital clock using 8051 microcontroller at89c51 circuit diagram Introduction of 8051 microcontroller[diagram] circuit diagram 8051 programmer.
.






